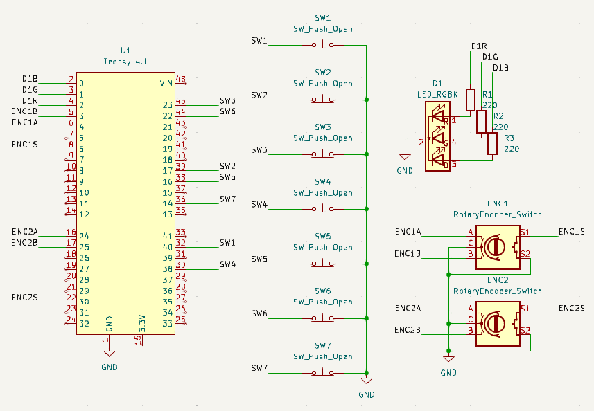
A Teensy 4.1 based USB macro/hotkey device firmware designed to run on a wide variety of hardware configurations with no coding experience required.
Users can design and build a custom PCB of their preferred layout of buttons, encoders, LEDs, etc. and configure the device and its bindings from their Windows/Mac/Linux PC using this application


